ENGLISH
首页
关于达达
公司简介
企业文化
总裁致辞
企业荣誉
产品中心
塑料外壳断路器
小型断路器
塑壳漏电断路器
内部附件
外部附件
小型漏电断路器
新闻中心
公司新闻
行业新闻
技术中心
天天员工
生产工艺
生产工艺
在线留言
在线留言
人才招聘
人才政策
招聘信息
联系我们
联系我们
产品中心
塑料外壳断路器
小型断路器
塑壳漏电断路器
内部附件
·
辅助触头
·
分励脱扣器
·
欠电压脱扣器
·
辅助报警触头
·
报警系列
外部附件
·
抽屉式板前板后
·
手柄操作
·
插入式
·
接线端子
小型漏电断路器
抽屉式板前板后
您当前所在位置:
产品中心
> 抽屉式板前板后 |
回到首页
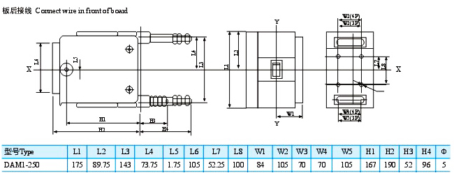
名称:DAM1-250-3P板后抽屉
说明:
关于我们
|
联系我们
|
人才招聘
|
版权声明
|
网站导航
浙江达达电器有限公司 浙ICP备09000221号
电话:86-577-27850000 27851222 27851333 传真:86-577-62776411